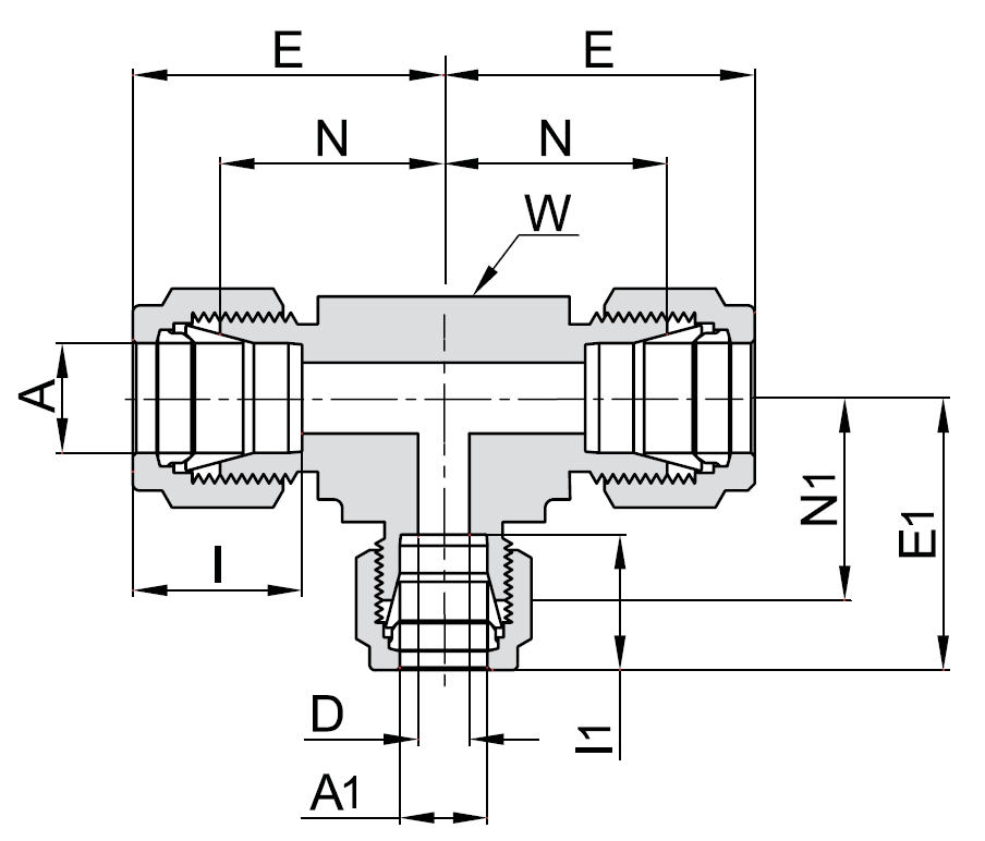
首页 产品 特气管道配件 316L不锈钢卡套接头 异径三通接头 不锈钢316L高纯对焊接头 焊接管件金属面密封 内外螺纹接头 VCJ接头 自动焊接头 316L不锈钢卡套接头 异径三通接头 不锈钢316L高纯对焊接头 焊接管件金属面密封 内外螺纹接头 VCJ接头 自动焊接头 分类: 特气管道配件 描述 316L不锈钢卡套接头 异径三通接头 不锈钢316L高纯对焊接头 焊接管件金属面密封 内外螺纹接头 VCJ接头 自动焊接头 管(公制)至管(英寸) 管(英寸)至管(英寸) 相关产品 超高纯度气瓶连接阀接头 实验室气瓶连接器接头 特气管道接头 VCJ接头 微焊接头 微焊三通 微焊弯头 特气管道配件阅读更多 不锈钢外螺纹管对焊接头 316L不锈钢卡套外丝直通接头NPT螺纹转接头减压阀卡套接头 VCJ接头 高纯特气微焊接头 特气管道配件阅读更多 内螺纹分支三通 特气不锈钢管接头 内螺纹分支四通 1/2英寸管外径 1/2英寸管内径 1/8英寸内螺纹NPT 卡套转NPT内螺纹直通 特气管道配件阅读更多 316L不锈钢联管弯头 异径高纯特气管道接头卡套管延长 卡套管连接 卡套螺纹焊接VCJ和VCO接口 VCJ接头 微焊接头 微焊三通 微焊弯头 特气管道配件阅读更多